◆ Özellikleri
Nominal gerilimi 4.5 V ~ 24 V, düşük limit gerilim 3,5 V,
Çalışma sıcaklığı aralığı -55 ℃ ~ 150 ℃,
Nominal çıkış (sink) akım 25 mA, maksimum çıkış (sink) akım 50 mA,
Anahtarın yanıt süresi yaklaşık 1μs, DC'nin çalışma frekansı ~ 100 kHz,
Çalışma noktası ve bırakma noktası sıcaklık sıçraması küçük,
Mekanik temas yok, kıvılcım yok, anahtarlama sinyali kararlılığı var, ani titreme yok, yüksek güvenlikli,
Ürünler, Avrupa Birliği RoHS talimatı olan 2011/65/AB ve REACH yönetmeliğince 1907/2006/AB şartlarına uymaktadır.
◆ Genel Bakış
Mıknatıs N kutup sensör yüzeyine bakacak ve sensöre yaklaştığında ( B< Bop ), sensör çıkışı düşük olacaktır. Mıknatıs N kutup sensör işaretine bakacak ve sensöre yaklaştığında (B>Brp), sensör çıkışı yüksek olacaktır. Mıknatıs sensörden uzakta olduğunda (B = 0), sensör çıkış durumu kilitlenmiş olarak kalır. Çıkış durumunu değiştirmek için, zıt kutupsal bir manyetik alan uygulanmalıdır. AH3043 manyetik dönüşüm karakteristik eğrisi gösterildiği gibidir:

◆ İşlevsel Blok Diyagramı

AH3075 Hall sensörü çift kutuplu uyarımdır, tek uçlu dijital çıkışlı entegre bir devredir. Çıkış sinyalinin bir mandal fonksiyonu vardır. Sensör yongasının dahili gerilimi koruyucusu, gerilim regülatörü, sıcaklık kompanzasyon devresi, Hall voltaj üreteci, sinyal amplifikatörü, Schmitt tetiği, üzerinde çekme direnci ve açık kolektör çıkış devresi gibi devreler vardır. Voltaj regülatörünün ve sıcaklık dengeleme devresinin mükemmel performansı, sensörün geniş bir voltaj aralığında ve stabil bir sıcaklık aralığında çalışmasını sağlamak için geriye doğru voltaj koruma devresi, sensörün ters voltaj hasarından kaçınmasını sağlar.
◆Limit parametreleri
| Parametreler | Sembol | Minimum değer | Maksimum değer | Birim |
| Depolama sıcaklığı | Ts | -55 | 175 | ℃ |
| Besleme gerilimi | VCC | 3.5 | 28 | V |
| Çıkış kesme voltajı | VO(off) | — | 300 | mW |
| Manyetik indüksiyon | B | Sınırsız | Sınırsız | mT |
| Çıkış akımı | IO | — | 50 | mA |
◆Statik derece
İnsan vücudu modunda statik dayanma gerilimi ± 6kg'dan daha büyük
◆Çalışma koşulları
| Parametreler | Sembol | Minimum değer | Maksimum değer | Birim |
| Besleme gerilimi | VCC | 4.5 | 24 | V |
| Çalışma sıcaklığı | Ta | -55 | 150 | ℃ |
| Çıkış akımı | IO | — | 8 | mA |
◆Elektriksel özellikler
| Parametreler | Sembol | Test koşulları | Tipik değer | Maksimum değer | Birim |
| Düşük çıktı | VOL | VCC1=4.5, VCC2=24V, IO=25mA, B≥BOP | 0.2 | 0.4 | V |
| Çıkış yüksek seviyesi | VOH | VCC1=4.5, VCC2=24V, IO=25mA, B≤BRP | 23.5 | 24 | V |
| Çıkış kaçağı akımı | IOH | VCC2=24V,VCC1 Açık devre | 0.1 | 10 | μA |
| Güç kaynağı akımı | ICC | VCC1=24V,Vo Açık devre | 3.5 | 8 | mA |
| Çıkışın yükselen kenarı | tR | VCC1=VCC2=12V,RL=1.2kΩ, CL=20pF | 125 | 150 | μs |
| Çıkış düşen kenarı | tF | 60 | 80 | ms |
◆Manyetik parametreler
Deneysel koşullar: VCC1 = VCC2 = 24V, 100 = 50mA
| Parametreler | Sembol | Minimum değer | Maksimum değer | Birim |
| Çalışma noktası | BOP | — | 4.5 | 6 |
| Bırakma noktası | BRP | -6 | -4.5 | — |
| Vurma| çalışma noktası - bırakmanoktası| | BH︱BOP-BRP︱ | 3 | 7 | 10 |
Not 1: Birim millisatz, 1mT (millisiros) = 10Gs (gauss).
Not 2: Manyetik alan S kutbu ürün ön işaretine dik olduğunda, manyetik alanı B> 0 olarak tanımlayın.
◆ Paketin ana hatları
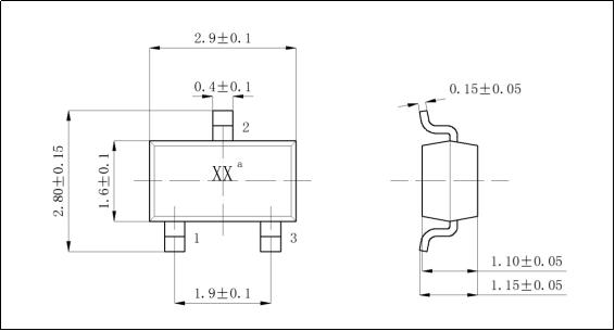
SOT23-3L paket diyagramı (milimetre cinsinden)

SOT89-3L paket (milimetre cinsinden)

TO-92UA / TO-92S paketi (milimetre cinsinden)

İşaretleme
Ürün kodu XX veya AHXX olarak gösterilen ürünün modelini belirtir
nolu pim tanıma
M tipi: ürün işareti ile yüzleşir, lki nolu pim aşağı doğru, soldan saat yönünde, nolu pim numara 1,2,3.
Telif Hakkı © Nanjing Yi Chi Elektronik Teknoloji Ltd. Şti. Tüm Hakları Saklıdır
Teknik Destek:
| Site haritası |